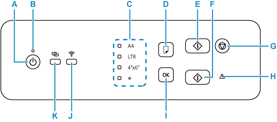
لوحة التشغيل

- A: الزر تشغيل (ON)
-
يُستخدم في التشغيل أو إيقاف التشغيل. تأكد من إغلاق غطاء المستندات قبل تشغيل الطاقة.
- B: المصباح تشغيل (ON)
- يضيء بعد إصداره وميضًا عند تشغيل الطاقة.
- C: المصباح ورق (Paper)
- يضيء وفقًا لحجم الورق الحالي.
- D: الزر تحديد الورق (Paper Select)
- قم بتحديد حجم الورق في الطابعة.
- E: الزر أسود (Black)
- يبدأ في النسخ بالأسود والأبيض، وما إلى ذلك.
- F: الزر اللون (Color)
- يبدأ النسخ بالألوان، وما إلى ذلك.
- G: الزر إيقاف (Stop)
-
يقوم بإلغاء التنفيذ عندما تكون هناك مهمة طباعة أو نسخ أو مسح ضوئي قيد التنفيذ. يمكنك أيضًا الضغط مع الاستمرار على الزر إيقاف (Stop) لتنفيذ الصيانة أو تكوين إعدادات الجهاز.
- H: المصباح تنبيه (Alarm)
- يضيء هذا المصباح أو يصدر وميضًا عند حدوث خطأ.
- I: الزر موافق (OK)
- لإنهاء عملية تحديد حجم الورق. كما يتم استخدامه لمعالجة الأخطاء.
- J: الزر Wi-Fi
- تمكين/تعطيل Wi-Fi. يضيء عند تمكين Wi-Fi.
- K: الزر الاتصال اللاسلكي (Wireless connect)
-
عند الضغط مع الاستمرار على الزر، يضيء الزر. يتم وضع الطابعة بعد ذلك في وضع الاستعداد لتسهيل الاتصال بجهاز الكمبيوتر والهاتف الذكي.

